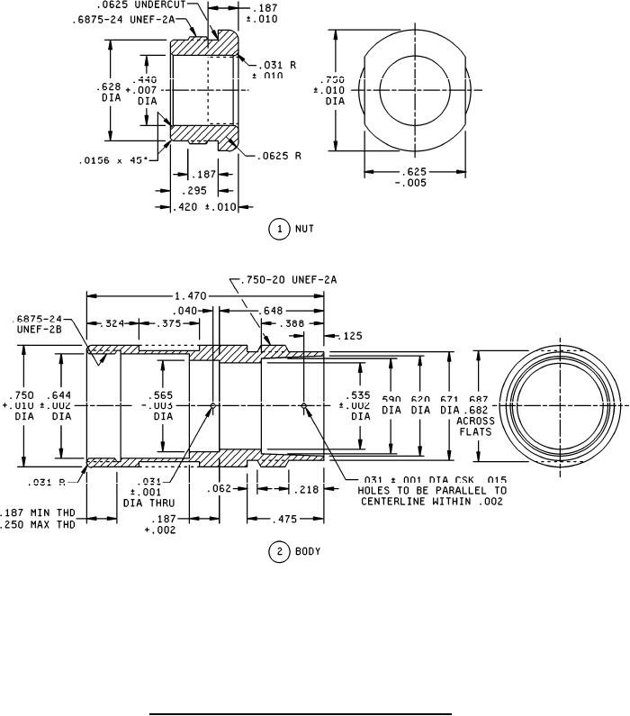
MIL-DTL-3655-3 Connector, Receptacle, Electrical, Class I \(Coaxial, Series Twin\) Type Ug-423B/U