
MIL-DTL-3655/3C
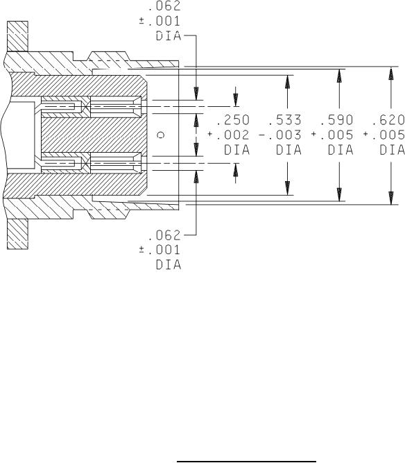
Inches
mm
Inches mm
.001
0.03
.250 6.35
.002
0.05
.533 13.54
.003
0.08
.590 14.99
.005
0.13
.620 15.75
.062
1.57
NOTES:
1. Dimensions are in inches.
2. Metric equivalents are given for information only.
FIGURE 2. Interface mating requirements.
7
For Parts Inquires submit RFQ to Parts Hangar, Inc.
© Copyright 2015 Integrated Publishing, Inc.
A Service Disabled Veteran Owned Small Business