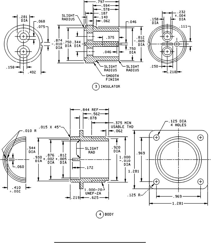
MIL-DTL-3655-6 Connector, Receptacle, Electrical, Class Ii \(Coaxial, Series Twin\) Type Ug-1057/U