
MIL-DTL-3655/6C
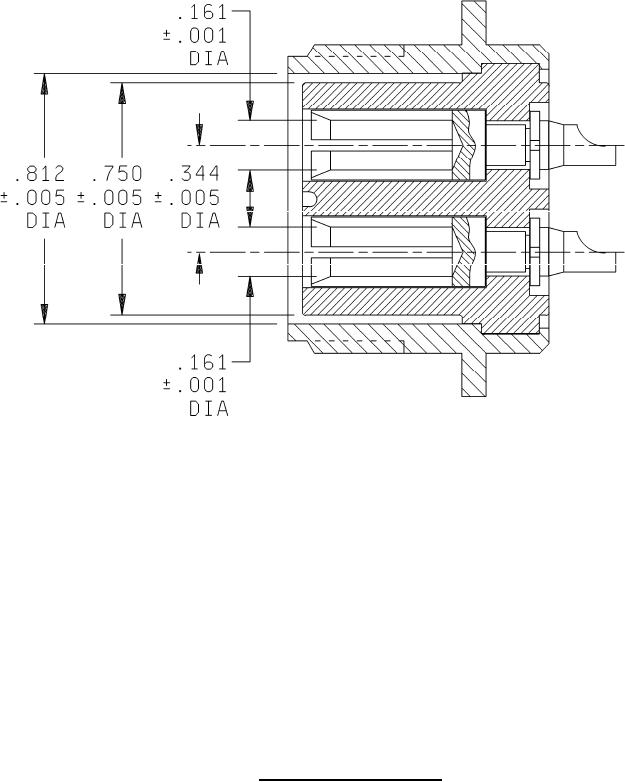
Inches
mm
Inches mm
.001
0.03
.344 0.74
.750 19.05
.005
0.13
.812 20.62
.161
4.09
NOTES:
1. Dimensions are in inches.
2. Metric equivalents are given for information only.
FIGURE 2. Visual mating requirements.
5
For Parts Inquires submit RFQ to Parts Hangar, Inc.
© Copyright 2015 Integrated Publishing, Inc.
A Service Disabled Veteran Owned Small Business