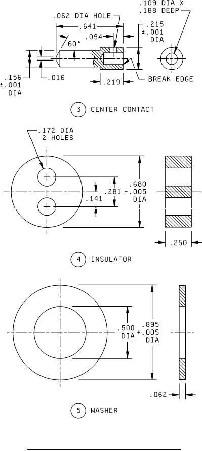
MIL-DTL-3655-9 Connector, Plug, Electrical, Class I \(Coaxial, Series Twin\) Type Ug-1060A/U