
MIL-DTL-3655/9E
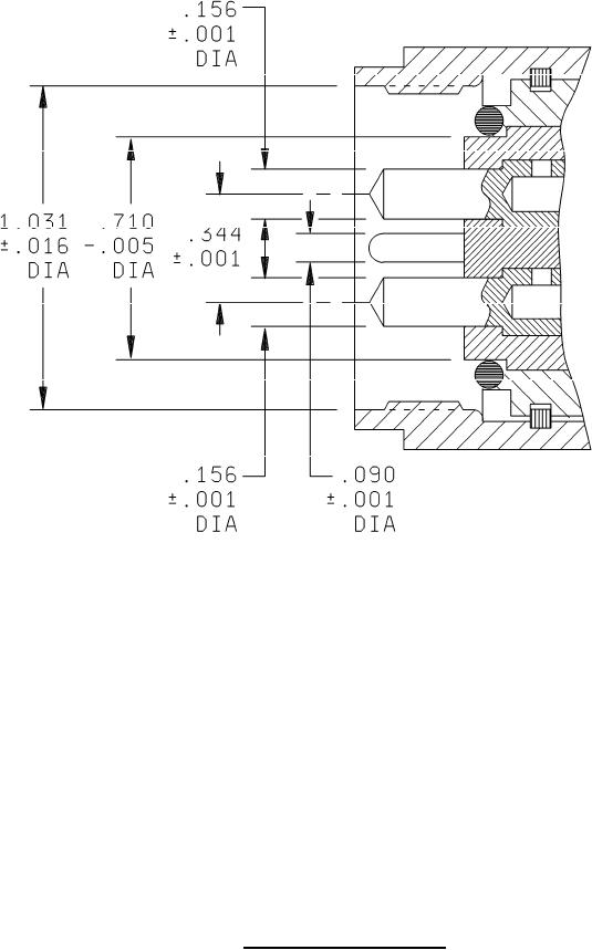
Inches mm
Inches mm
.156 3.96
.001 0.03
.344 8.74
.005 0.13
.710 18.03
.016 0.41
1.031 26.19
.090 2.29
NOTES:
1. Dimensions are in inches.
2. Metric equivalents are given for information only.
FIGURE 2. Visual mating requirements.
8
For Parts Inquires submit RFQ to Parts Hangar, Inc.
© Copyright 2015 Integrated Publishing, Inc.
A Service Disabled Veteran Owned Small Business