
METRIC
MIL-DTL-38999/31E
12 March 2014
SUPERSEDING
MIL-DTL-38999/31D
19 April 2002
DETAIL SPECIFICATION SHEET
CONNECTORS, ELECTRICAL, CIRCULAR, THREADED, PLUG, LANYARD RELEASE,
FAIL-SAFE, REMOVABLE CRIMP CONTACTS, PINS, SHELL SIZE 25, SERIES III, METRIC
This specification is approved for use by all Departments
and Agencies of the Department of Defense.
The requirements for acquiring the product described herein
shall consist of this specification sheet and MIL-DTL-38999.
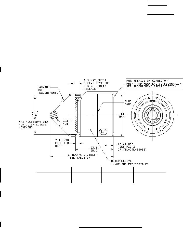
mm
Inches
mm
Inches
mm
Inches
mm
Inches
0.8
.03
7.11
.28
42.5
1.67
56.5
2.22
6.3
.25
9.5
.37
51
2.01
63.5
2.50
NOTES:
1. Dimensions are in millimeters. Inch equivalents in parentheses are given for information only.
2. Polarizing position N is shown.
3. EMI grounding feature required on this connector.
4. The Government may stock, store and issue this configuration.
FIGURE 1. Plug, classes R, W, T, X and Z, type 1.
AMSC N/A
FSC 5935
For Parts Inquires submit RFQ to Parts Hangar, Inc.
© Copyright 2015 Integrated Publishing, Inc.
A Service Disabled Veteran Owned Small Business