
MIL-DTL-38999/31E
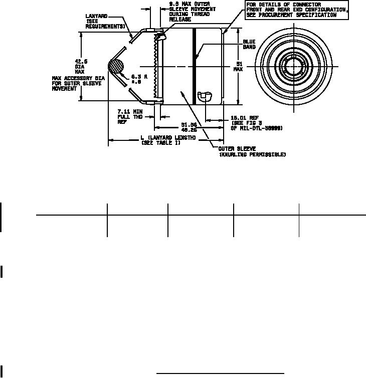
mm
Inches
mm
Inches
mm
Inches
mm
Inches
mm
Inches
0.8
.03
7.11
.28
15.01
.59
48.26
1.90
51.56
2.03
6.3
.25
9.5
.37
42.5
1.67
51
2.01
NOTES:
1. Dimensions are in millimeters. Inch equivalents in parentheses are given for information only.
2. Polarizing position N is shown.
3. EMI grounding feature required on this connector.
4. The Government may stock, store and issue this configuration.
FIGURE 6. Plug, classes R, W, T, X and Z, type 6.
6
For Parts Inquires submit RFQ to Parts Hangar, Inc.
© Copyright 2015 Integrated Publishing, Inc.
A Service Disabled Veteran Owned Small Business