
INCH-POUND
MIL-DTL-55181/3D
10 March 2008
SUPERSEDING
MIL-C-55181/3C
23 June 1986
DETAIL SPECIFICATION SHEET
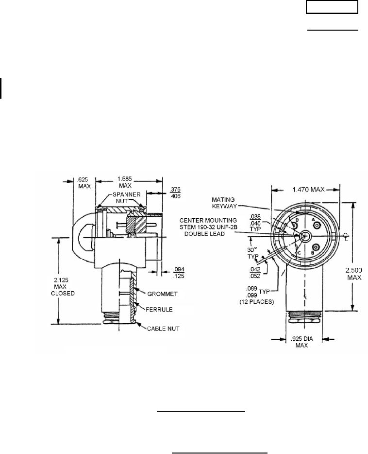
CONNECTOR, PLUG, ELECTRICAL, WATERPROOF,
4 PIN CONTACTS, SOLDER TURRET, 35 AMP
This specification is approved for use by all Departments and Agencies of the Department of Defense.
The requirements for acquiring the product described herein shall consist of this specification sheet and
MIL-DTL-55181.
CONNECTOR ASSEMBLY
FIGURE 1. Dimensions and configuration.
AMSC N/A
FSC 5935
For Parts Inquires submit RFQ to Parts Hangar, Inc.
© Copyright 2015 Integrated Publishing, Inc.
A Service Disabled Veteran Owned Small Business