emilspec
An Integrated Publishing, Inc. Site
eMilSpec
An Integrated Publishing Website
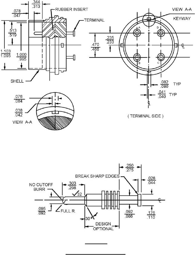
MIL-DTL-55181-3 Connector, Plug, Electrical, Waterproof, 4 Pin Contacts, Solder Turret, 35 Amp
Pages
1
-
2
-
3
-
4
MIL-DTL-55181/3D
CONTACT
FIGURE
1. Dimensions and configuration - Continued.
2
For Parts Inquires submit RFQ to
Parts Hangar, Inc.
© Copyright 2015 Integrated Publishing, Inc.
A Service Disabled Veteran Owned Small Business