
MIL-DTL-55302/102E
Inches
mm
Inches
mm
.005
.13
.150
3.81
.007
.18
.156
3.96
.008
.20
.197
5.00
.010
.25
.246
6.25
.050
1.27
.273
6.93
.055
1.40
.294
7.47
.062
1.57
.312
7.92
.086
2.18
.477
12.12
.090
2.29
.550
13.97
.100
2.54
NOTES:
1. Dimensions are in inches.
2. Metric equivalents are given for information only.
3. Unless otherwise specified, tolerances are ±.005 (0.13 mm).
4. When keying, mounting bracket or mounting bracket and keying is required, refer to the applicable
dash and figure number in table I.
5. Contacts (class A in accordance with MIL-DTL-55302/97-01) are shipped loose in a plastic bag
with each connector unless otherwise specified. When contacts are furnished separately, the
letters "WO" shall appear immediately after the Part or Identifying Number (PIN) marking on the
connector (i.e., M55302/102-02 WO).
6. For direct government procurements connectors shall be furnished with contacts in a plastic bag
with each connector.
7. With connectors fully engaged the mating contacts shall have a minimum overlap distance of .062.
As a minimum the contacts shall exhibit a wiping action through this distance.
FIGURE 1. Connectors, receptacle, .100 (2.54 mm) spacing Continued.
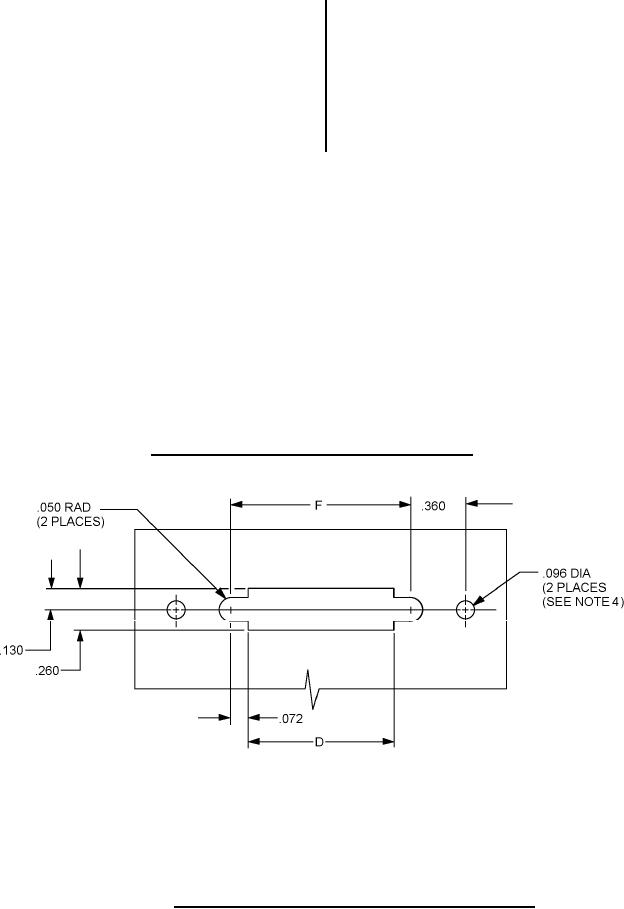
Inches
mm
.050
1.27
.072
1.83
.096
2.44
.130
3.30
.260
6.60
.360
9.14
NOTES:
1. Dimensions are in inches.
2. Metric equivalents are given for information only.
3. Unless otherwise specified, tolerances are ±.005 (0.13 mm).
4. When bracket assembly (see figure 3, 4, or 5) to chassis mounting is required, it is suggested that
support pins be used.
FIGURE 2. Typical cutout for receptacle in nonconductive chassis.
2
For Parts Inquires submit RFQ to Parts Hangar, Inc.
© Copyright 2015 Integrated Publishing, Inc.
A Service Disabled Veteran Owned Small Business