
MIL-DTL-55302/130D
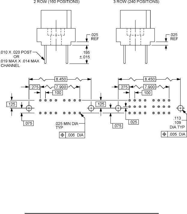
FIGURE 1. Connectors, kit receptacle, .100 (25.4 mm) spacing, 160 and 240 contacts - Continued.
2
For Parts Inquires submit RFQ to Parts Hangar, Inc.
© Copyright 2015 Integrated Publishing, Inc.
A Service Disabled Veteran Owned Small Business