
MIL-DTL-55302/130D
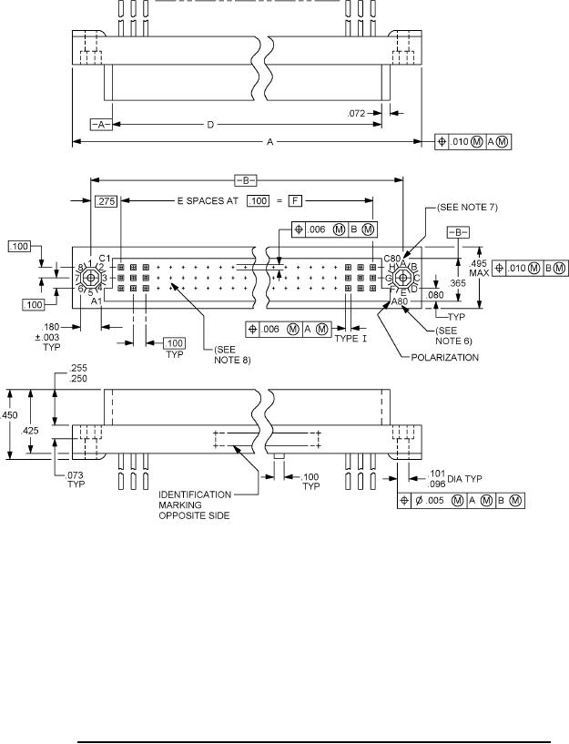
FIGURE 2. Connectors, kit receptacle, .100 (25.4 mm) spacing, 90 through 240 contacts positions.
5
For Parts Inquires submit RFQ to Parts Hangar, Inc.
© Copyright 2015 Integrated Publishing, Inc.
A Service Disabled Veteran Owned Small Business