
MIL-DTL-55302/141C
Inches
mm
Inches
mm
Inches
mm
.010
0.25
.063
1.60
.177
4.50
.014
0.36
.100
2.54
.200
5.08
.020
0.51
.118
3.00
.217
5.51
.025
0.64
.126
3.20
.236
5.99
.056
1.42
.155
3.94
.490
12.45
.062
1.57
.173
4.39
NOTES:
1. Dimensions are in inches.
2. Metric equivalents are given for information only.
3. Unless otherwise specified, tolerance is ± .005 (0.13 mm).
4. Contact accepts no. 22 AWG wire.
5. Contact, crimp type, accepts no 22-26 AWG wires.
6. Contact with .025 inch2 (0.64 mm2) wrappost.
FIGURE 4. Connector terminations.
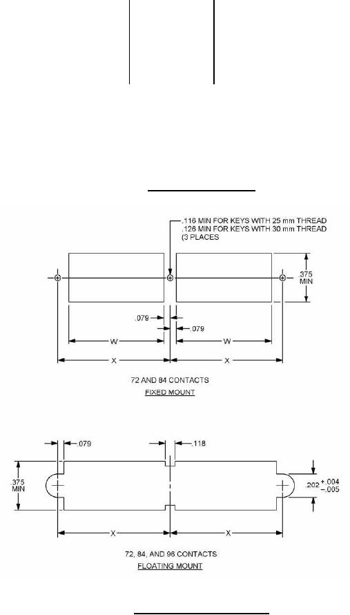
FIGURE 5. Recommended panel cutouts.
6
For Parts Inquires submit RFQ to Parts Hangar, Inc.
© Copyright 2015 Integrated Publishing, Inc.
A Service Disabled Veteran Owned Small Business