MIL-DTL-55302/163D
NOTES:
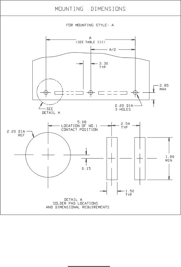
1. For plugs only. The p.c. board may be extended to 19.00 max from center of mounting holes
to serve as a pin protector.
2. Tolerance is noncumulative.
3. Dimensions are in millimeters.
FIGURE 5. Mounting dimensions Continued.
12