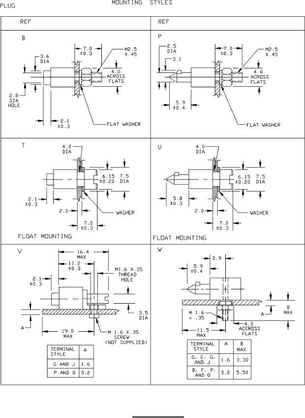
MIL-DTL-55302-163 Connectors, Printed Circuit Subassembly And Accessories, Plug, 72, 84, 96, And 120 Contact Positions, For Printed Wiring Boards, 2.54 Mm X 1.27 Mm Offset Grid, Metric