
INCH-POUND
MIL-DTL-55302/166B
13 May 2005
SUPERSEDING
MIL-C-55302/166A(USAF)
10 June 1986
DETAIL SPECIFICATION SHEET
CONNECTORS, PRINTED CIRCUIT SUBASSEMBLY AND ACCESSORIES:
LOW MATING FORCE, MALE BRUSH, STRAIGHT-THROUGH, POLARIZED,
FOR MULTILAYERED PRINTING WIRING BOARDS (.100 SPACING)
This specification is approved for use by all Departments and Agencies of the Department of Defense.
The requirements for acquiring the product described herein
shall consist of this specification sheet and MIL-DTL-55302.
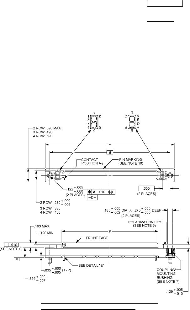
FIGURE 1. Connector, male brush, straight-through for multilayered
printed wiring boards .100 (2.54 mm) spacing.
AMSC N/A
FSC 5935
For Parts Inquires submit RFQ to Parts Hangar, Inc.
© Copyright 2015 Integrated Publishing, Inc.
A Service Disabled Veteran Owned Small Business