
MIL-DTL-55302/166B
Inches
mm
.050
1.27
.100
2.54
.150
3.81
.5375
13.652
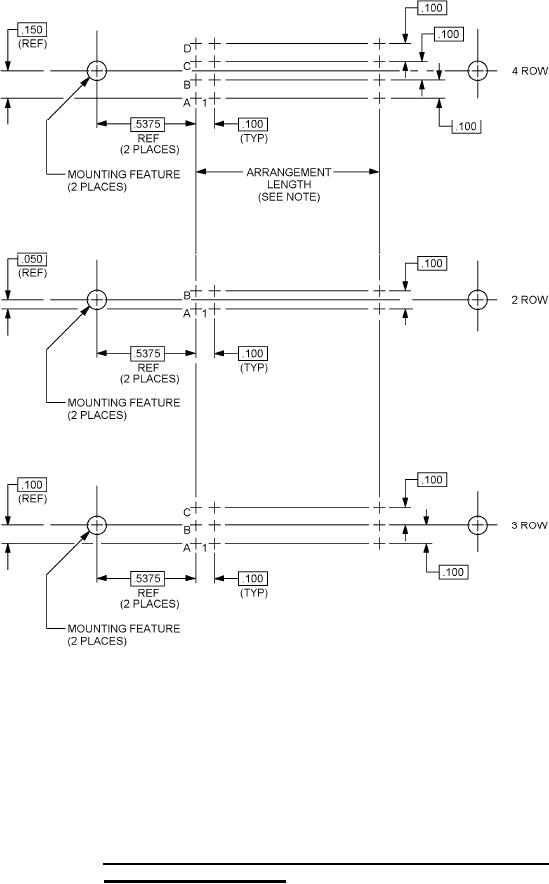
NOTE:
The arrangement length is determined by (N-1) x.100, where N is the number of contacts per row.
Example: For 60 contact row would be (60-1) x.100 = 5.90 inches.
FIGURE 2. Insert arrangement for .100 (2.54 mm) contact spacing, male brush
connectors (engaging face).
3
For Parts Inquires submit RFQ to Parts Hangar, Inc.
© Copyright 2015 Integrated Publishing, Inc.
A Service Disabled Veteran Owned Small Business