
INCH-POUND
MIL-DTL-55302/174C
23 January 2008
SUPERSEDING
MIL-DTL-55302/174B
13 September 2002
DETAIL SPECIFICATION SHEET
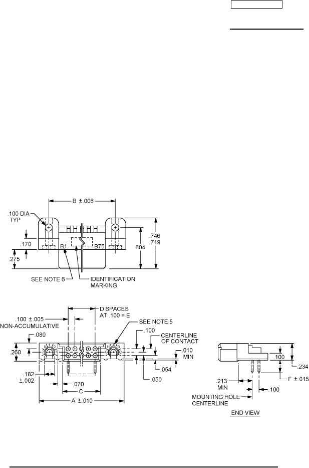
CONNECTORS, PRINTED CIRCUIT SUBASSEMBLY AND ACCESSORIES:
2 ROW, RECEPTACLE ASSEMBLIES, RIGHT ANGLE, 20 THROUGH 150 CONTACT POSITIONS,
FOR PRINTED WIRING BOARDS (.100 SPACING)
This specification is approved for use by all Departments and
Agencies of the Department of Defense.
The requirements for acquiring the product described herein shall consist of this specification sheet and
MIL-DTL-55302.
FIGURE 1. Connectors, receptacle assemblies .100 inch (2.54 mm) spacing, 20 through 150 contacts.
AMSC N/A
FSC 5935