
INCH-POUND
MIL-DTL-55302/179C
14 December 2007
SUPERSEDING
MIL- DTL-55302/179B
13 September 2002
DETAIL SPECIFICATION SHEET
CONNECTORS, PRINTED CIRCUIT SUBASSEMBLY AND ACCESSORIES:
4 ROW, PIN ASSEMBLIES, 100 THROUGH 684 CONTACT POSITIONS, FOR PRINTED
WIRING BOARDS (.100 SPACING)
This specification is approved for use by all Departments
and Agencies of the Department of Defense.
The requirements for acquiring the product described herein shall consist of this specification sheet and
MIL-DTL-55302.
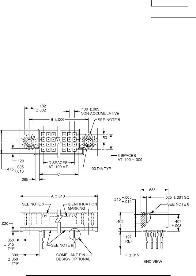
FIGURE 1. Connectors, pin assemblies .100 (2.54 mm) spacing, 100 through 300 contacts.
AMSC N/A
FSC 5935
For Parts Inquires submit RFQ to Parts Hangar, Inc.
© Copyright 2015 Integrated Publishing, Inc.
A Service Disabled Veteran Owned Small Business