
INCH-POUND
MIL-DTL-55302/18B
24 March 2004
SUPERSEDING
MIL-C-55302/18A
11 August 1970
DETAIL SPECIFICATION SHEET
CONNECTORS, PRINTED CIRCUIT SUBASSEMBLY AND ACCESSORIES:
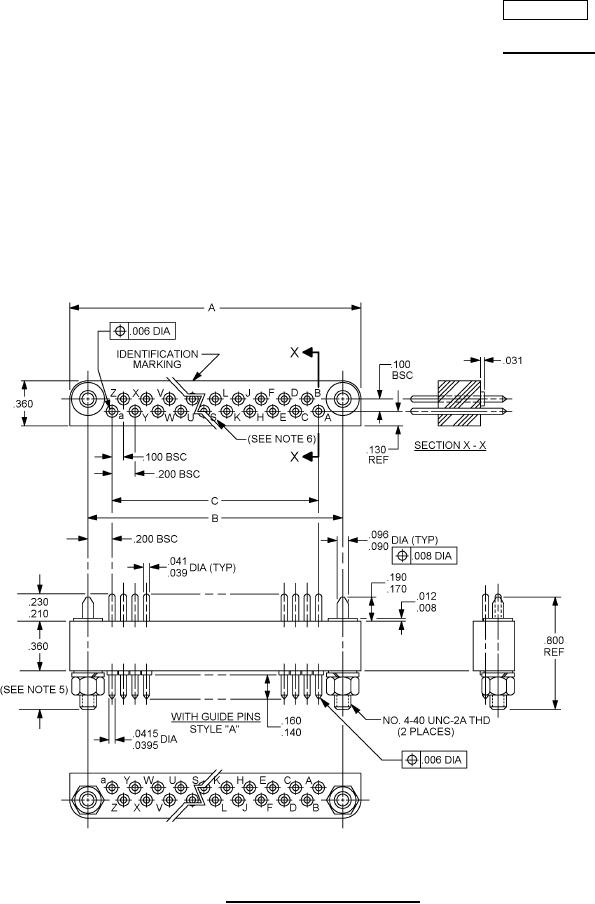
PIN, STRAIGHT-THRU, FOR PRINTED WIRING BOARDS (.200 SPACING)
This specification is approved for use by all Departments and Agencies of the Department of Defense.
The requirements for acquiring the product described herein shall consist of this specification sheet and
MIL-DTL-55302.
FIGURE 1. Connectors, plug (.200 spacing).
AMSC N/A
FSC 5935
For Parts Inquires submit RFQ to Parts Hangar, Inc.
© Copyright 2015 Integrated Publishing, Inc.
A Service Disabled Veteran Owned Small Business