
MIL-DTL-55302/18B
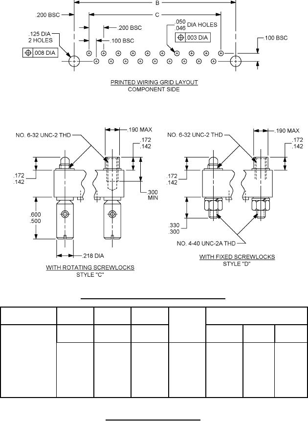
Dimensions and Part or Identifying Number (PIN).
Guide
Rotating
Mounting
Fixed
styles
pins
screw-locks screw-locks
Number
Dimensions
of
A
B
C
Dash
Dash
Dash
contacts
BSC
Ref
PIN
number
number
number
±.010
M55302/18-( )
1.300
1.000
.600
01
07
13
7
1.500
1.200
.800
02
08
14
9
1.000
11
1.700
1.400
03
09
15
1.400
15
2.100
1.800
04
10
16
1.800
19
2.500
2.200
05
11
17
2.200
23
2.900
2.600
06
12
18
3.600
37
4.300
4.000
19
20
21
FIGURE 1. Connectors, plug (.200 spacing) - Continued.
2
For Parts Inquires submit RFQ to Parts Hangar, Inc.
© Copyright 2015 Integrated Publishing, Inc.
A Service Disabled Veteran Owned Small Business