
MIL-DTL-55302/181C
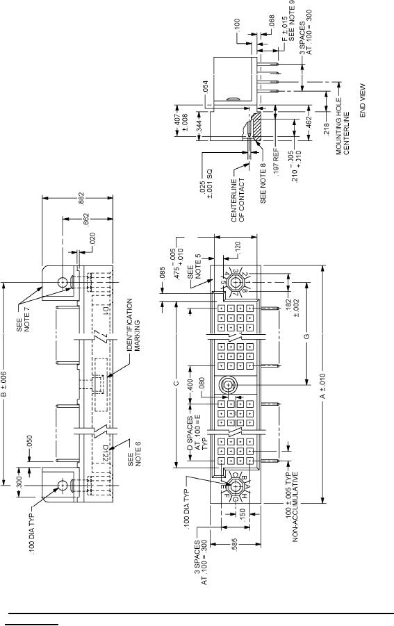
FIGURE 3. Correctors, pin assemblies, right angle .100 (2.54 mm) spacing with two guides, 516 through
684 contacts.
5
For Parts Inquires submit RFQ to Parts Hangar, Inc.
© Copyright 2015 Integrated Publishing, Inc.
A Service Disabled Veteran Owned Small Business