
INCH-POUND
MIL-DTL-55302/23H
3 December 2003
SUPERSEDING
MIL-C-55302/23G
7 June 1993
DETAIL SPECIFICATION SHEET
CONNECTORS, PRINTED CIRCUIT SUBASSEMBLY AND ACCESSORIES:
PLUG, DECADE INCREMENT 10 THRU 120, 150, 160 AND 180 CONTACT POSITIONS,
FOR PRINTED WIRING BOARDS (.075 SPACING)
This specification is approved for used by all Departments and Agencies of the Department of Defense.
The requirements for acquiring the product described herein shall consist of this specification sheet and
MIL-DTL-55302.
Style 1 (internal keying) connectors are hereby canceled and superseded by style 2 (external keying) connectors,
see table I for supersession data.
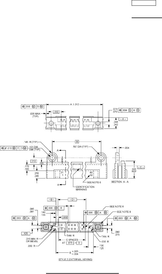
FIGURE 1. Connectors, plug, .075 (1.90 mm) spacing.
AMSC N/A
FSC 5935
For Parts Inquires submit RFQ to Parts Hangar, Inc.
© Copyright 2015 Integrated Publishing, Inc.
A Service Disabled Veteran Owned Small Business