emilspec
An Integrated Publishing, Inc. Site
eMilSpec
An Integrated Publishing Website
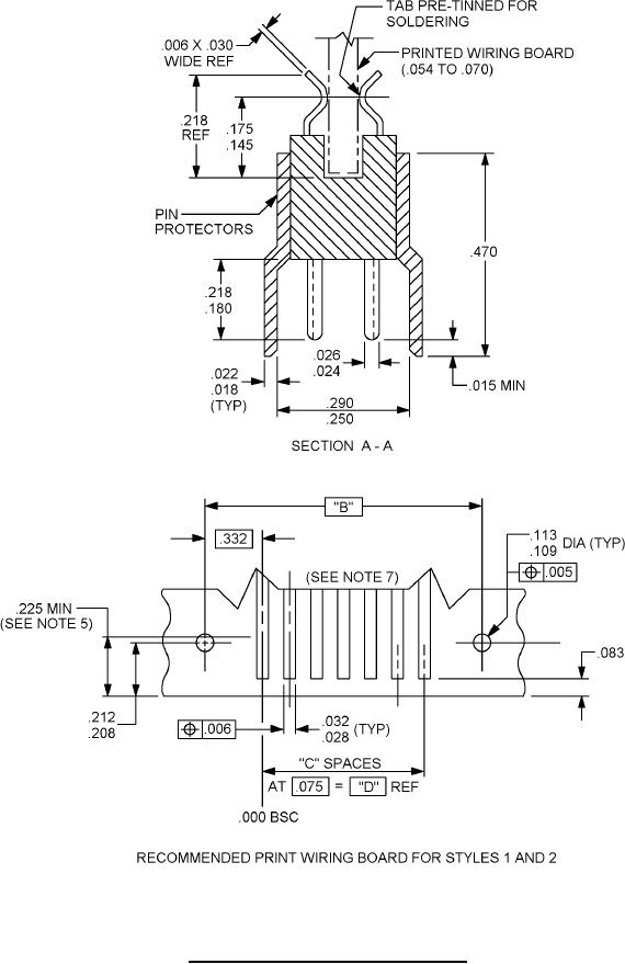
MIL-DTL-55302-23 Connectors, Printed Circuit Subassembly And Accessories: Plug, Decade Increment 10 Thru 120, 150, 160 And 180 Contact Positions, For Printed Wiring Boards \(.075 Spacing\)
Pages
1
-
2
-
3
-
4
-
5
-
6
MIL-DTL-55302/23H
FIGURE
1. Connectors, plug, .075 (1.90 mm) spacing - Continued.
3
For Parts Inquires submit RFQ to
Parts Hangar, Inc.
© Copyright 2015 Integrated Publishing, Inc.
A Service Disabled Veteran Owned Small Business