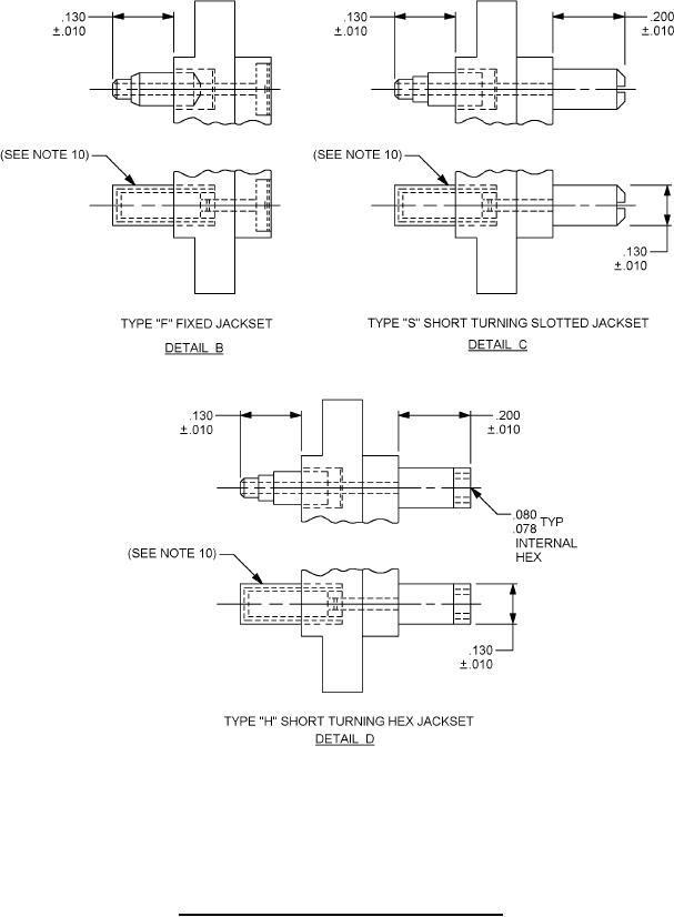
MIL-DTL-55302-65 Connectors, Printed Circuit Subassembly And Accessories: Receptacle, Socket Contacts, Decade Increments 10 Thru 70 Contact Positions And Intermediate Positions Of 14, 24, 44, 54 And 26, 36, 56, 66 For Printed Wiring Boards \(.100 Spacing\)