
INCH-POUND
MIL-DTL-55302/67D
24 March 2004
SUPERSEDING
MIL-C-55302/67C
17 October 1986
DETAIL SPECIFICATION SHEET
CONNECTORS, PRINTED CIRCUIT SUBASSEMBLY AND ACCESSORIES:
PIN, RIGHT ANGLE PLUG, ELECTRICAL, POLARIZED FOR
PRINTED WIRING BOARDS (.090 SPACING)
MIL-DTL-55302/67D is inactive for new design after 1 October 1986.
This specification is approved for used by all Departments and Agencies of the Department of Defense.
The requirements for acquiring the product described herein shall consist of this specification sheet and
MIL-DTL-55302.
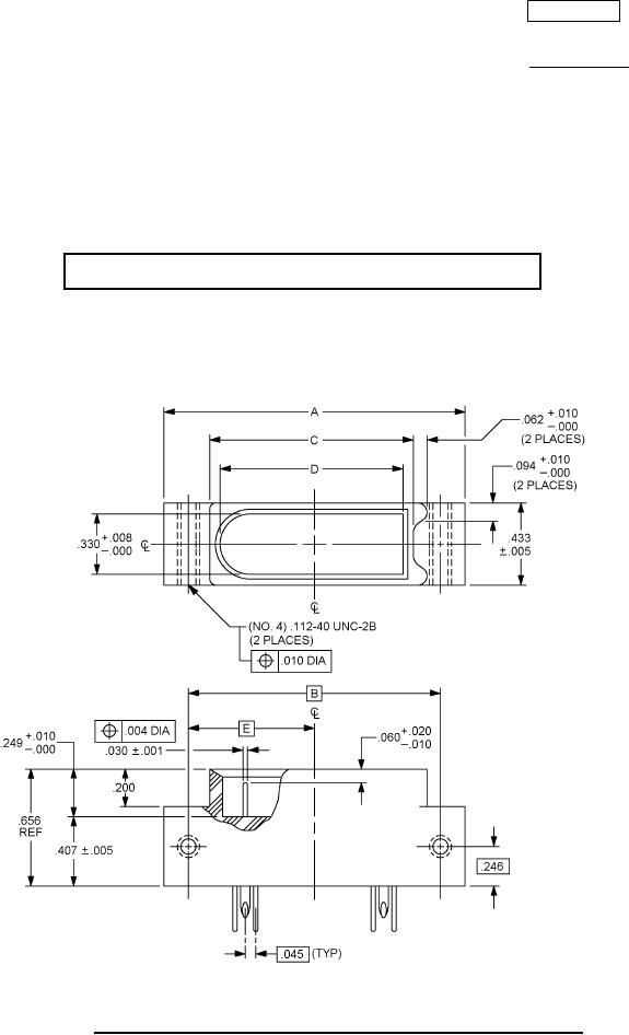
FIGURE 1. Connectors, plug, .090 (2.29 mm) contact spacing pin and solder terminals.
AMSC N/A
FSC 5935
For Parts Inquires submit RFQ to Parts Hangar, Inc.
© Copyright 2015 Integrated Publishing, Inc.
A Service Disabled Veteran Owned Small Business