
MIL-DTL-55302/67D
Inches
mm
Inches
mm
.002
0.05
.112
2.84
.005
0.13
.125
3.18
.008
0.20
.143
3.63
.010
0.25
.200
5.08
.015
0.38
.246
6.25
.020
0.51
.249
6.32
.022
0.56
.330
8.38
.030
0.76
.390
9.91
.045
1.14
.407
10.34
.050
1.27
.433
11.00
.060
1.52
.515
13.08
.062
1.5
.656
16.66
.094
2.39
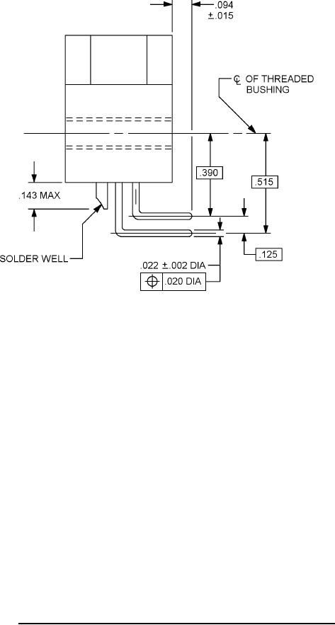
NOTES:
1. Dimensions are in inches.
2. Metric equivalents are given for information only.
3. Nominal spacing between any two adjacent pin contacts shall be .090 ±.003 (2.29 ±.08 mm).
4. Unless otherwise specified, tolerances are ±.010 (0.25 mm).
5. For dimensions A through E see table I.
FIGURE 1. Connectors, plug, .090 (2.29 mm) contact spacing pin and solder terminals.
2
For Parts Inquires submit RFQ to Parts Hangar, Inc.
© Copyright 2015 Integrated Publishing, Inc.
A Service Disabled Veteran Owned Small Business