
INCH-POUND
MIL-DTL-55302/70D
12 November 2004
SUPERSEDING
MIL-C-55302/70C (USAF)
17 October 1986
DETAIL SPECIFICATION SHEET
CONNECTORS, PRINTED CIRCUIT SUBASSEMBLY AND ACCESSORIES,
PIN, RIGHT ANGLE PLUG, ELECTRICAL, POLARIZED FOR
PRINTED WIRING BOARDS (.100 SPACING)
MIL-DTL-55302/70D is inactive for new design after 1 October 1986.
This specification is approved for used by all Departments and Agencies of the Department of Defense.
The requirements for acquiring the product described herein shall consist of this specification sheet and
MIL-DTL-55302.
Inches
mm
.001
0.03
.004
0.10
.005
0.13
.008
0.20
.010
0.25
.020
0.51
.025
0.64
.030
0.76
.050
1.27
.087
2.21
.112
2.84
.114
2.90
.124
3.15
.125
3.18
.200
5.08
.227
5.77
.322
8.81
.422
10.72
.465
11.81
.594
15.09
1.250
31.75
2.151
54.64
2.500
63.50
2.822
71.68
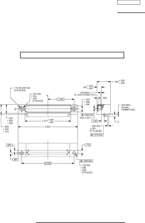
NOTES:
1. Dimensions are in inches.
2. Metric equivalents are given for information only.
3. Nominal spacing between any two adjacent pin contacts shall be.090 ± .003 (2.29 ± .08 mm).
4. Unless otherwise specified, tolerances are ± .010 (0.25 mm).
5. For dimension A see table I.
FIGURE 1. Connectors, plug, .100 (2.54 mm) contact spacing pin terminal.
AMSC N/A
FSC 5935
For Parts Inquires submit RFQ to Parts Hangar, Inc.
© Copyright 2015 Integrated Publishing, Inc.
A Service Disabled Veteran Owned Small Business