
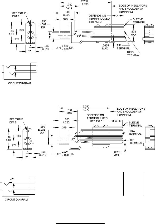
MIL-DTL-641/19F
Dash numbers -3, -4, -7 and -8 (2 breaks)
Inches
mm
Inches
mm Inches
mm
.002
0.05
.0625
1.588 .375
9.53
.010
0.25
.153
3.89
.578
14.68
.015
0.38
.175
4.44
.600
15.24
.020
0.51
.250
6.35
.650
16.50
.030
0.76
.279
7.09
.780
19.81
.035
0.89
.281
7.14 2.250
57.15
Dash numbers -9, -10, -11 and -12 (2 breaks, 1 make)
FIGURE 1. Dimensions and configurations Continued.
2