
MIL-DTL-641F
Inches
mm
Inches
mm
Inches
mm
.0003
.008
.033
.84
.375
9.52
.002
.05
.143
3.63
.675
17.14
.003
.08
.170
4.32
.875
22.22
.005
.13
.210
5.33
.900
22.86
.010
.25
.250
6.35
1.144
29.06
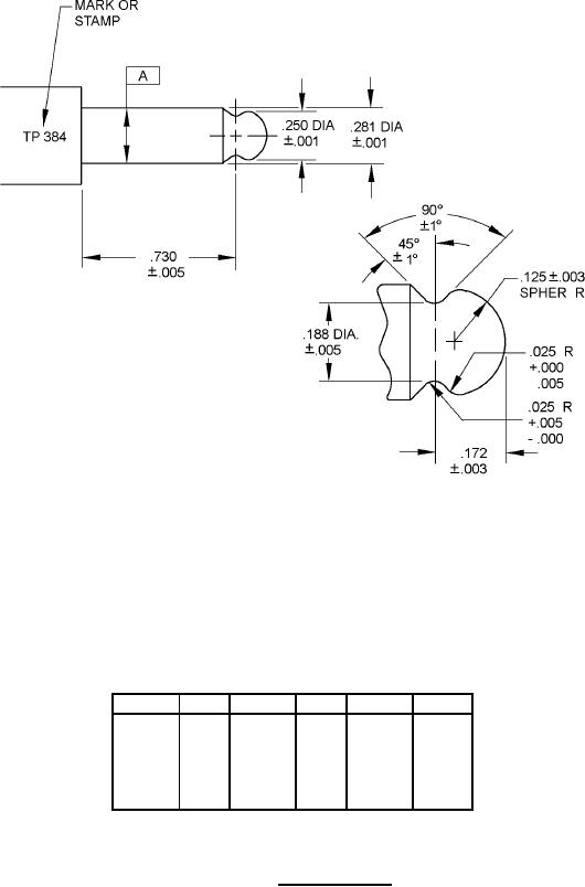
FIGURE 1. Test plug TP51.
12
For Parts Inquires submit RFQ to Parts Hangar, Inc.
© Copyright 2015 Integrated Publishing, Inc.
A Service Disabled Veteran Owned Small Business