
MIL-DTL-641F
Inches
mm
Inches
mm
Inches
mm
.0003
.008
.045
1.14
.375
9.52
.002
.05
.080
2.03
.38
9.7
.005
.13
.218
5.54
.50
12.7
.015
.38
.225
5.72
.020
.51
.308
7.82
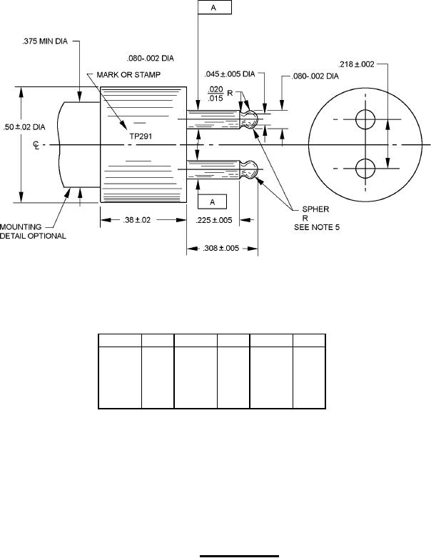
NOTES:
1. Dimensions are in inches.
2. Metric equivalents are given for information only.
3. Finger shall be hardened to Rockwell C 60-62, polished, and then hard-chromium plated to .0003 (.008 mm)
maximum thickness.
4. All dimensions before plating.
5. Concentricity shall be .002 (.05 mm) total indicator reading on finger diameter A.
FIGURE 5. Test plug TP291.
16
For Parts Inquires submit RFQ to Parts Hangar, Inc.
© Copyright 2015 Integrated Publishing, Inc.
A Service Disabled Veteran Owned Small Business