
INCH-POUND
MIL-DTL-642/13C
20 June 2014
SUPERSEDING
MIL-P-642/13B
31 October 1988
DETAIL SPECIFICATION SHEET
PLUGS, TELEPHONE (TYPES PJ-777 AND PJ-778)
3 CONDUCTOR, SINGLE, DOUBLE
This specification is approved for use by all Departments and
Agencies of the Department of Defense.
The requirements for acquiring the product described herein shall consist of this
specification sheet and MIL-DTL-642.
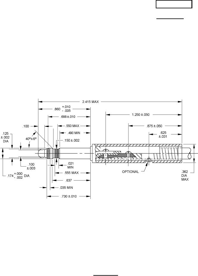
NOTES:
1. Dimensions are in inches.
2. Metric equivalents are given for information only.
3. Unless otherwise specified, tolerance is ±.005 (.127mm) and ±1º on angles.
4. The material shall be brass.
5. All dimensions are after plating.
6. Concentricity shall be .003 inch (.08mm) total indicator reading (TIR).
7. During one cycle of insertion and withdraw test, there will be no shorting or crossover between
contacts.
FIGURE 1. Plug PJ-777.
AMSC N/A
FSC 5935