
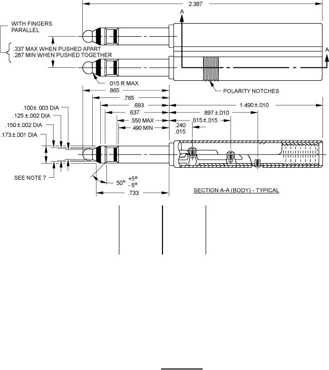
MIL-DTL-642/13C
Inches
mm
Inches
mm
Inches
mm Inches
mm
.001
0.02
.125
3.18
.497
12.63 .765
19.43
.002
0.05
.150
3.81
.520
13.21 .865
21.97
.003
0.08
.173
4.39
.615
15.62 .897
22.79
.010
0.25
.240
6.01
.637
16.18 1.490
37.85
.015
0.38
.287
7.29
.693
17.60 2.387
60.63
.100
.254
.337
8.56
.735
18.67
NOTES:
1. Dimensions are in inches.
2. Metric equivalents are given for information only.
3. Unless otherwise specified, tolerance is ±.005 (.127mm) and ±1º on angles.
4. The material shall be brass.
5. All dimensions are after plating.
6. Concentricity shall be .003 inch (.08mm) total indicator reading (TIR).
7. The left leader line of this dimension points to the intersection of the ramp and the .105 ±.002
diameter cylinder. This intersection is not necessarily the juncture of the dielectric and the outer
conductor barrel.
FIGURE 2. Plug PJ-778.
REQUIREMENTS:
Dimensions and configuration: See figure 1 and figure 2.
Shell shall be plastic in accordance with MIL-DTL-642.
Terminal screws shall be 0-80 UNF-2A in accordance with MIL-DTL-642/12.
Mating jacks. See table II.
2