
MIL-DTL-642/5B
NOTES:
1. Material shall be steel, as rolled, condition no. 3 quarter hard temper, regular bright finish, in
accordance with QQ-S-698.
2. Finish shall be cadmium plate in accordance with SAE-AMS-QQ-P-416, type II, class C, or
zinc coat, .0002 inch thick, with chromate treatment, in accordance with ASTM B633.
3. Remove all burrs and sharp edges.
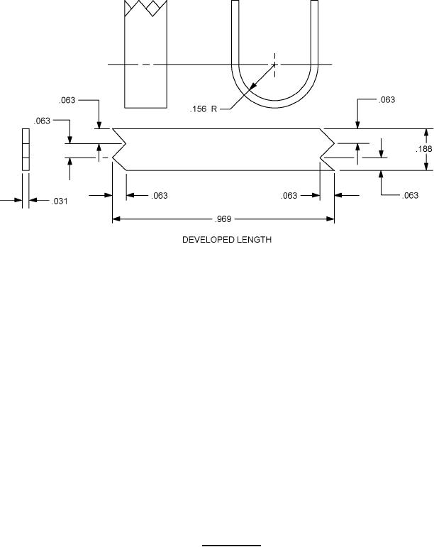
FIGURE 2. Collar, cable.
3