
INCH POUND
MIL-DTL-83413/6C
24 September 2008
SUPERSEDING
MIL-DTL-83413/6B
24 November 2003
DETAIL SPECIFICATION SHEET
CONNECTORS AND ASSEMBLIES, ELECTRICAL, AIRCRAFT
GROUNDING: RECEPTACLES, TWO PIECE, WITH INSERTS AND HOUSINGS
This specification is approved for used by all Departments
and Agencies of the Department of Defense.
The requirements for acquiring the product described herein shall consist of this specification sheet and
MIL-DTL-83413.
1.30 MAX
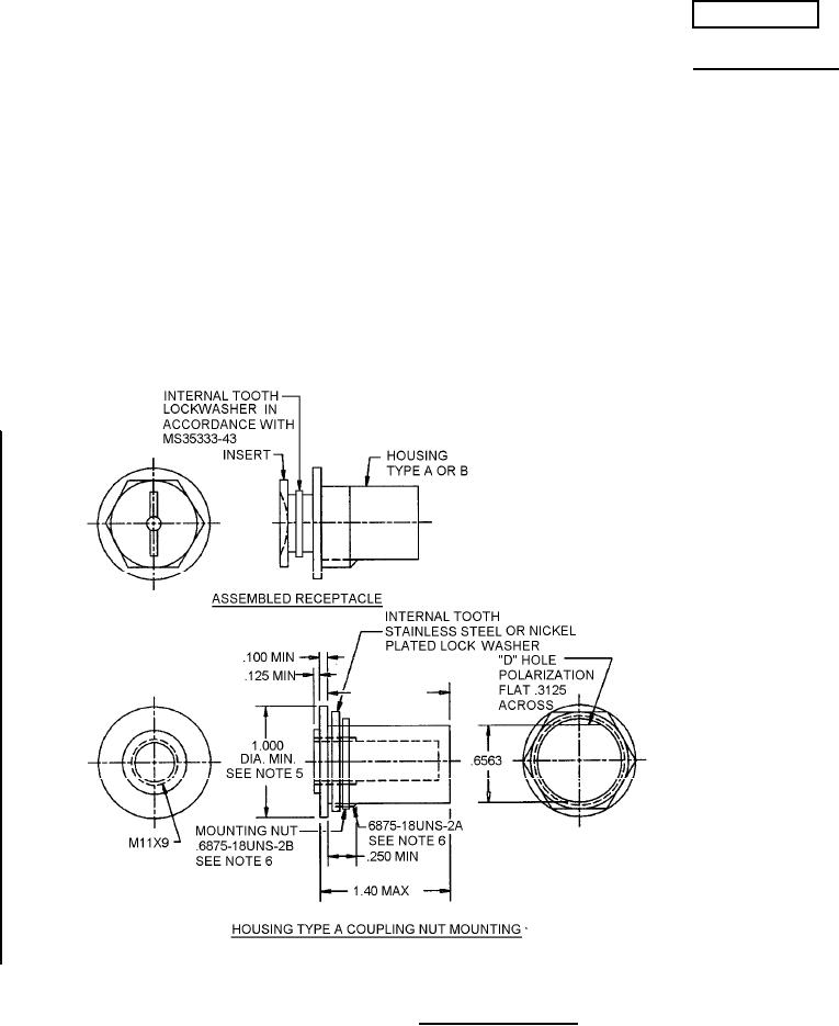
FIGURE 1. Grounding receptacle.
AMSC N/A
FSC 5935
For Parts Inquires submit RFQ to Parts Hangar, Inc.
© Copyright 2015 Integrated Publishing, Inc.
A Service Disabled Veteran Owned Small Business