
MIL-DTL-83413/6C
Inches
mm
Inches
mm
.002
0.05
.290
7.37
.003
0.08
.3125
7.94
.060
1.52
.6563
16.67
.100
2.54
.6875
17.46
.125
3.18
.845
21.46
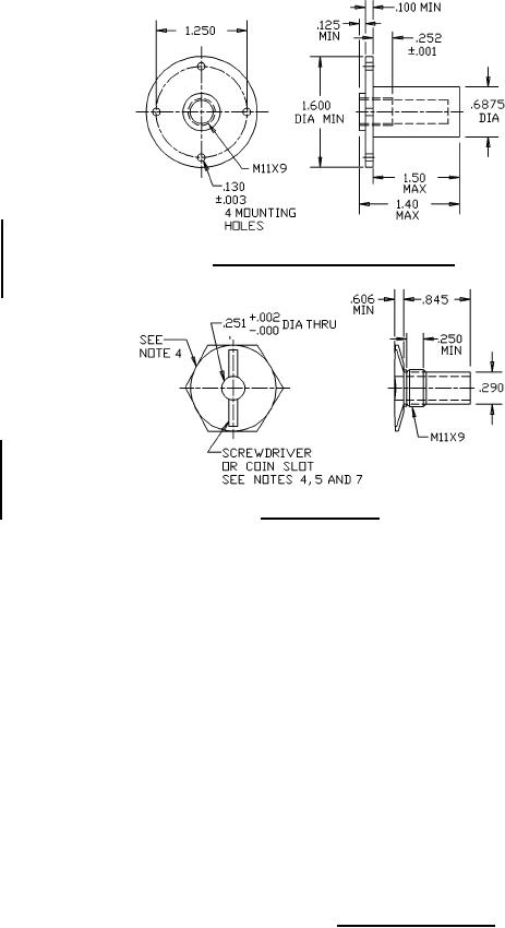
HOUSING TYPE B COUPLING NUT
.130
3.30
1.250
31.75
.250
6.35
1.40
35.56
.251
6.37
1.50
38.10
.252
6.40
1.600
40.64
INSERT DETENT
NOTES:
1. Dimensions are in inches.
2. Metric equivalents are given for information only.
3. Unless otherwise specified, tolerance is ±.005 (0.13 mm) for three place decimals and ±.0010
(0.025 mm) for four places decimals.
4. When hex flanges are used on inserts, the hex shall be .750 (19.05 mm) for opposite flats and .438
inch (11.13 mm) across the flats. Circularly flanged inserts shall be turnable by a standard
screwdriver. Hex flanged inserts shall be turnable by means of a coin.
5. Housing flanges need not be circular, however, the surface area of the flange shall be at least of
the minimum size shown.
6. M16 X 1.0 metric threads may be used as an option. .6875-24 UNEF-28 threads may be used as
an option; mounting nut then shall be MS3186-36.
7. Changes in the bore dimensions will result in international interoperability problems.
8. Coins slot width .073 inch (1.85 mm) minimum.
9. .068 inch (1.73 mm) is minimum depth measure to theoretical intersection of the arc with the
horizontal centerline.
10. Housing may be welded or brazed.
11. Insert/housing threads (unless otherwise specified) are metric.
FIGURE 1. Grounding receptacle - Continued.
2
For Parts Inquires submit RFQ to Parts Hangar, Inc.
© Copyright 2015 Integrated Publishing, Inc.
A Service Disabled Veteran Owned Small Business