
INCH-POUND
MIL-DTL-83517/9A
31 May 2005
SUPERSEDING
MIL-C-83517/9
20 September 1982
DETAIL SPECIFICATION SHEET
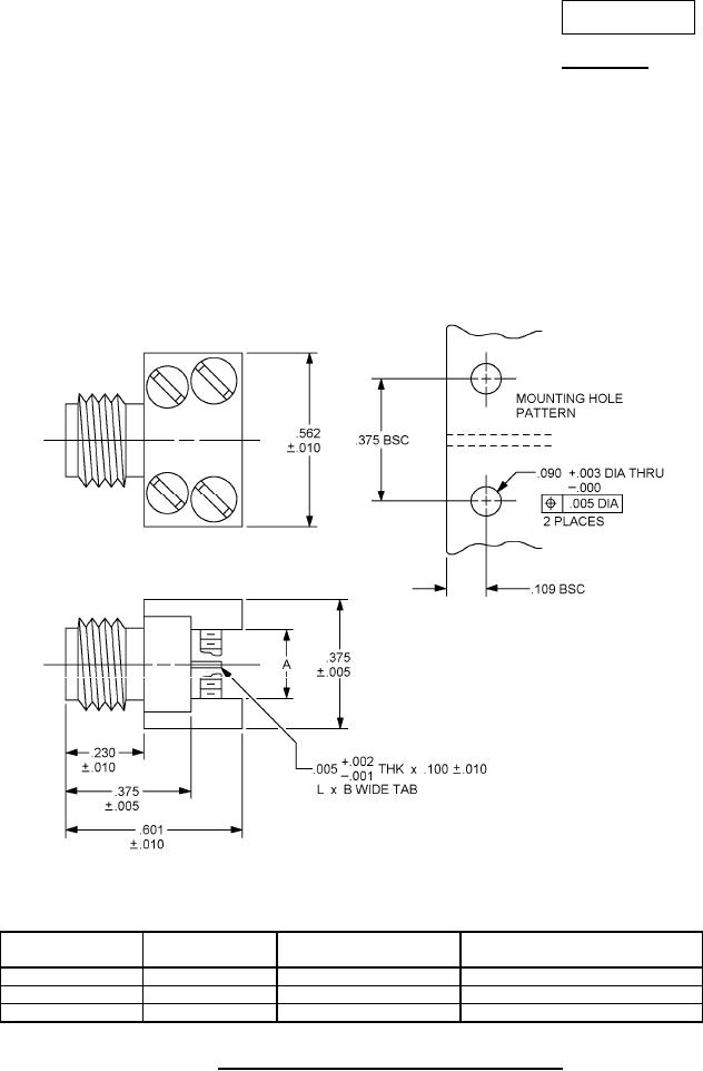
CONNECTOR, RECEPTACLES, ELECTRICAL, COAXIAL, RADIO FREQUENCY,
STRIP OR MICROSTRIP TRANSMISSION LINE,
SERIES SMA (SOCKET CONTACT, END LAUNCH)
This specification is approved for use by all Departments and Agencies of the Department of Defense.
The requirements for acquiring the product described herein shall consist of
this specification sheet and MIL-C-83517.
Inches
mm
Inches
mm
.001
.03
.100
2.54
.002
.05
.109
2.77
.003
.08
.120
3.05
.005
.13
.125
3.18
.010
.25
.127
3.23
.020
.51
.230
5.84
.025
.64
.245
6.22
.050
1.27
.250
6.35
.057
1.45
.375
9.53
.062
1.57
.562
14.27
.064
1.63
.580
14.73
2.29
.601
15.27
.090
.767
19.48
Part or Identifying
"A" dim.
"B" dim.
Transmission
Number (PIN)
line thickness
M83517/9-31001
.064/.057
.025 ±.002
.062
M83517/9-31002
.127/.120
.050 ±.001
.125
M83517/9-31003
.250/.245
.050 ±.001
.125 with (2) .063 support plates
FIGURE 1. Series SMA, socket contact, end launch, receptacle.
AMSC N/A
FSC 5935
For Parts Inquires submit RFQ to Parts Hangar, Inc.
© Copyright 2015 Integrated Publishing, Inc.
A Service Disabled Veteran Owned Small Business