
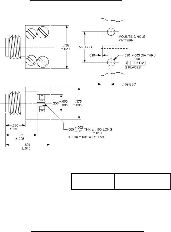
MIL-DTL-83517/9A
NOTES:
1. Dimensions are in inches.
2. Metric equivalents are given for information only.
3. All undimensioned pictorial configurations are for reference purposes only.
4. Mounting screws shall be steel in accordance with MIL-C-83517. Number 2 screws are suggested for
mounting.
FIGURE 1. Series SMA, socket contact, end launch, receptacle Continued.
Inches
mm
Inches
mm
.001
.03
.100
2.54
.002
.05
.109
2.77
.003
.08
.230
5.84
PIN
Transmission
.005
.13
.250
9.53
line thickness
.010
.25
.580
14.73
M83517/9-31004
.250
.020
.51
.601
15.27
.050
1.27
.767
19.48
.090
2.29
FIGURE 2. Series SMA, socket contact, end launch, receptacle (.250 inch).
2
For Parts Inquires submit RFQ to Parts Hangar, Inc.
© Copyright 2015 Integrated Publishing, Inc.
A Service Disabled Veteran Owned Small Business