
METRIC
MIL-DTL-83538/4C
30 October 2006
SUPERSEDING
MIL-DTL-83538/4B
13 May 2005
DETAIL SPECIFICATION SHEET
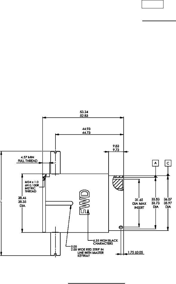
CONNECTORS AND ACCESSORIES, ELECTRICAL, CIRCULAR, UMBILICAL,
RECEPTACLE, LAUNCHER ASSEMBLY, REMOVABLE CRIMP CONTACTS, SOCKETS
FOR MIL-STD-1760 APPLICATIONS (METRIC)
This specification is approved for use by all Departments
and Agencies of the Department of Defense.
The requirements for acquiring the product described herein
shall consist of this specification sheet and MIL-DTL-83538.
FIGURE 1. Launcher receptacle, style A.
AMSC N/A
FSC 5935