
METRIC
MIL-DTL-83538/7B
2 June 2008
SUPERSEDING
MIL-DTL-83538/7A
24 December 1998
DETAIL SPECIFICATION SHEET
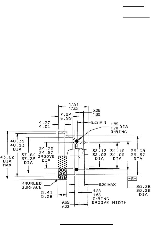
CONNECTORS AND ACCESSORIES, ELECTRICAL, CIRCULAR, UMBILICAL, COVER,
PROTECTIVE, STORE RECEPTACLE FOR MIL-STD-1760 APPLICATIONS (METRIC)
This specification is approved for use by all Departments
and Agencies of the Department of Defense.
The requirements for acquiring the product described herein shall
consist of this specification sheet and MIL-DTL-83538.
FIGURE 1. Protective store cover receptacle.
AMSC N/A
FSC 5935
For Parts Inquires submit RFQ to Parts Hangar, Inc.
© Copyright 2015 Integrated Publishing, Inc.
A Service Disabled Veteran Owned Small Business