emilspec
An Integrated Publishing, Inc. Site
eMilSpec
An Integrated Publishing Website
MIL-DTL-83538-7 Connectors And Accessories, Electrical, Circular, Umbilical, Cover, Protective, Store Receptacle For Mil-Std-1760 Applications \(Metric\)
Pages
1
-
2
-
3
-
4
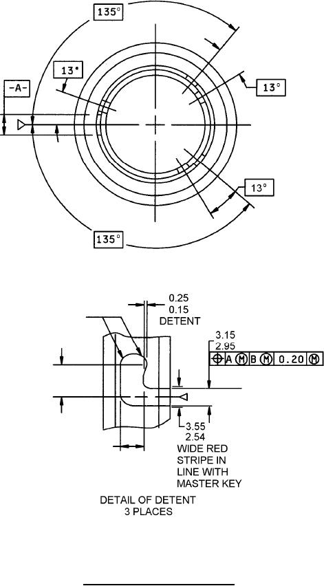
MIL-DTL-83538/7B
FIGURE 1. Protective store
cover receptacle - Continued.
2
For Parts Inquires submit RFQ to
Parts Hangar, Inc.
© Copyright 2015 Integrated Publishing, Inc.
A Service Disabled Veteran Owned Small Business