
INCH-POUND
MIL-PRF-39012/1H
16 November 2006
SUPERSEDING
MIL-PRF-39012/1G
26 September 1994
PERFORMANCE SPECIFICATION SHEET
CONNECTORS, PLUG, ELECTRICAL, COAXIAL, RADIO FREQUENCY,
(SERIES N (CABLED), PIN CONTACT, CLASS 2)
This specification is approved for use by all Departments
and Agencies of the Department of Defense.
The requirements for acquiring the product described herein shall consist of
this specification sheet and MIL-PRF-39012.
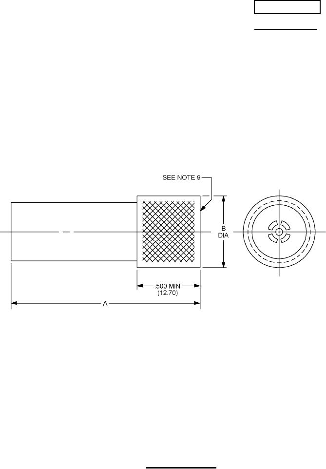
NOTES:
1. Dimensions are in inches.
2. Metric equivalents are given for information only.
3. For dimensions A and B, see tables I and III.
4. Dimensions A and B are the largest overall dimensions of the connector.
5. Wrench flats are to accommodate standard wrench opening in accordance with FED-STD-H28,
appendix 10.
6. All undimensioned pictorial representations are for reference purposes only.
7. Dimension A defines the maximum length of the connector when assembled to the appropriate
cable.
8. Three holes .027 inch (0.69 mm) minimum diameter, equally spaced, are required for safety
wiring after mating. Location on the coupling nut is optional.
9. Series N, pin contact interface, in accordance with MIL-STD-348.
FIGURE 1. General configuration.
AMSC N/A
FSC 5935
For Parts Inquires submit RFQ to Parts Hangar, Inc.
© Copyright 2015 Integrated Publishing, Inc.
A Service Disabled Veteran Owned Small Business