
MIL-PRF-39012/1H
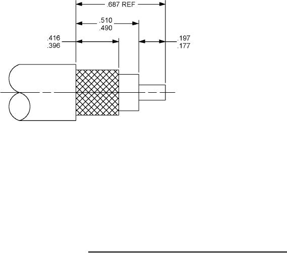
Inches
mm
.177
4.50
.197
5.00
.396
10.06
.416
10.57
.490
12.45
.510
12.95
.687
17.45
NOTES:
1. Dimensions are in inches.
2. Metric equivalents are given for information only.
FIGURE 4. Cable stripping dimensions for field replaceable connectors.
ENGINEERING DATA:
Nominal impedance: 50 ohms.
Frequency range: 0 to 11 GHz.
Voltage rating:
1,000 volts rms maximum working voltage at sea level.
250 volts rms maximum at 70,000 feet (4.437 kPa).
Temperature rating: -65°C to +165°C.
8
For Parts Inquires submit RFQ to Parts Hangar, Inc.
© Copyright 2015 Integrated Publishing, Inc.
A Service Disabled Veteran Owned Small Business