
MIL-PRF-39012/18H
NOTES:
1. Dimensions are in inches.
2. Metric equivalents are given for Information only.
3. For dimension A, see tables I and III.
4. Dimension .505 inch (12.83 mm) is the largest overall diameter of the connector.
5. Wrench flats (if required for assembly) are to accommodate standard wrench opening in
accordance with FED-STD-H28, appendix 10.
6. Receptacles not recommended for use on panels with greater than .078 inch (1.98 mm) maximum
thickness.
7. All undimensioned pictorial representations are for reference purposes only.
8. Bayonet studs and edges of flange shall be within 3° of the orientation shown.
9. Dimension A, defines the maximum length of the connector when assembled to the appropriate
cable.
10. Series BNC, socket contact interface in accordance with MIL-STD-348.
FIGURE 1. General configuration Continued.
Inches
mm
0.05
.002
0.15
.006
0.25
.010
0.81
.032
0.91
.036
1.96
.077
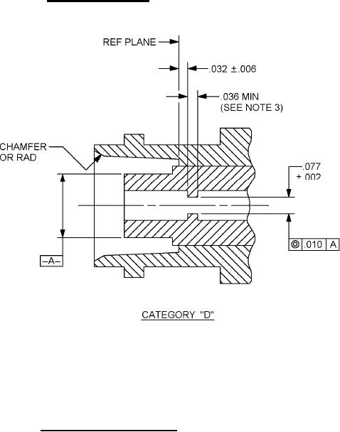
NOTES:
1. Dimensions are in inches.
2. Metric equivalents are given for information only.
3. Chamfer is optional.
4. Concave depression .100 inch (2.54 mm) x .005 inch (0.13 mm) deep between studs permissible.
FIGURE 2. Category D captivation detail.
2
For Parts Inquires submit RFQ to Parts Hangar, Inc.
© Copyright 2015 Integrated Publishing, Inc.
A Service Disabled Veteran Owned Small Business