
INCH-POUND
MIL-PRF-39012/19H
16 November 2006
SUPERSEDING
MIL-PRF-39012/19G
26 September 1994
PERFORMANCE SPECIFICATION SHEET
CONNECTORS, RECEPTACLE, ELECTRICAL, COAXIAL, RADIO FREQUENCY,
(SERIES BNC (CABLED), SOCKET CONTACT, JAM NUT MOUNTED CLASS 2)
This specification is approved for use by all Departments
and Agencies of the Department of Defense.
The requirements for acquiring the product described herein shall consist of
this specification sheet and MIL-PRF-39012.
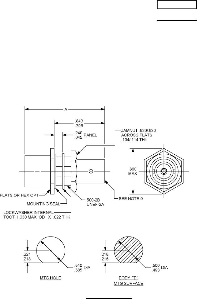
FIGURE 1. General configuration.
AMSC N/A
FSC 5935
For Parts Inquires submit RFQ to Parts Hangar, Inc.
© Copyright 2015 Integrated Publishing, Inc.
A Service Disabled Veteran Owned Small Business