
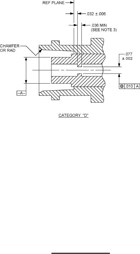
MIL-PRF-39012/19H
Inches
mm
.002
0.05
.006
0.15
.010
0.25
.036
0.91
.077
1.96
.234
5.94
NOTES:
1. Dimensions are in inches.
2. Metric equivalents are given for information only.
3. Chamfer is optional.
4. Concave depression .100 inch (2.54 mm) x .005 inch (0.13 mm) deep between studs permissible.
FIGURE 2. Category D captivation details.
3
For Parts Inquires submit RFQ to Parts Hangar, Inc.
© Copyright 2015 Integrated Publishing, Inc.
A Service Disabled Veteran Owned Small Business