
INCH-POUND
MIL-PRF-39012/24D
16 November 2006
SUPERSEDING
MIL-PRF-39012/24C
7 February 1985
PERFORMANCE SPECIFICATION SHEET
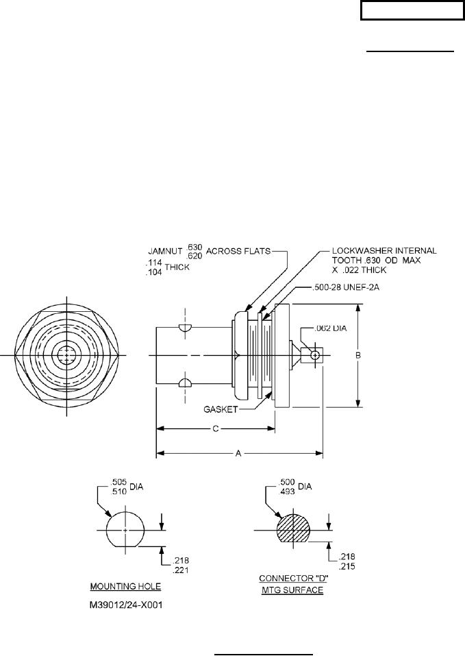
CONNECTORS, RECEPTACLE, ELECTRICAL, COAXIAL, RADIO FREQUENCY,
(SERIES BNC (UNCABLED), SOCKET CONTACT, HERMETIC SEALED,
JAM NUT MOUNTED, CLASS 2)
This specification is approved for use by all Depart-
ments and Agencies of the Department of Defense.
The requirements for acquiring the product described herein shall consist of
this specification sheet and MIL-PRF-39012.
FIGURE 1. General configuration.
AMSC N/A
FSC 5935
For Parts Inquires submit RFQ to Parts Hangar, Inc.
© Copyright 2015 Integrated Publishing, Inc.
A Service Disabled Veteran Owned Small Business