emilspec
An Integrated Publishing, Inc. Site
eMilSpec
An Integrated Publishing Website
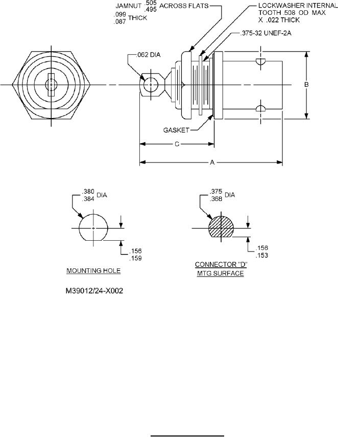
MIL-PRF-39012-24 Connectors, Receptacle, Electrical, Coaxial, Radio Frequency, \(Series Bnc \(Uncabled\), Socket Contact, Hermetic Sealed, Jam Nut Mounted, Class 2\)
Pages
1
-
2
-
3
-
4
-
5
-
6
MIL-PRF-39012/24D
FIGURE 1. General configuration
Continued.
2
For Parts Inquires submit RFQ to
Parts Hangar, Inc.
© Copyright 2015 Integrated Publishing, Inc.
A Service Disabled Veteran Owned Small Business