
INCH-POUND
MIL-PRF-39012/28H
4 May 2010
SUPERSEDING
MIL-PRF-39012/28G
26 September 1994
PERFORMANCE SPECIFICATION SHEET
CONNECTORS, RECEPTACLES, ELECTRICAL, COAXIAL, RADIO FREQUENCY,
(SERIES TNC, (CABLED), SOCKET CONTACT, JAM NUT MOUNTED, CLASS 2)
This specification is approved for use by all Departments
and Agencies of the Department of Defense.
The requirements for acquiring the product described herein shall consist of
this specification sheet and MIL-PRF-39012.
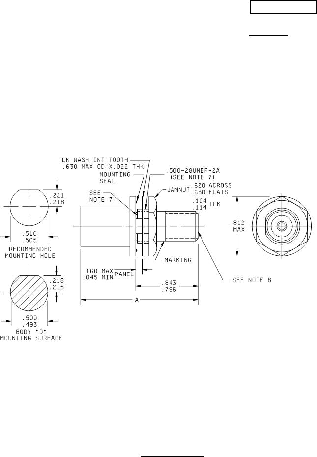
Inches
mm
Inches mm
Inches mm
.022
0.56
.218 5.54
.510 12.95
.045
1.14
.221 5.61
.620 15.75
.104
2.64
.493 12.52
.630 16.00
.114
2.90
.495 12.57
.796 20.22
.160
4.06
.500 12.70
.812 20.62
.215
5.46
.505 12.83
.843 21.14
NOTES:
1. Dimensions are in inches.
2. Metric equivalents are given for information only.
3. For dimension A, see tables I and III.
4. Metric equivalents are in parentheses.
5. Wrench flats (if required for assembly) are to accommodate standard wrench opening in accordance with
FED-STD-H28, appendix 10.
6. All non-dimensioned pictorial representations are for reference purposes only.
7. Full threads to within .063 (1.60 mm) of shoulder.
8. Series TNC, socket contact interface in accordance with MIL-STD-348.
9. Dimension A defines the maximum length of the connector when assembled to the appropriate cable.
FIGURE 1. General configuration.
AMSC N/A
FSC 5935
For Parts Inquires submit RFQ to Parts Hangar, Inc.
© Copyright 2015 Integrated Publishing, Inc.
A Service Disabled Veteran Owned Small Business